SFTH
März 24

Der Vortragssamstag war ein wenige nostalgisch geprägt. Jens
Briesemeister hatte
seinen Abschied als Organisator angekündigt.


Klaus
Rockmann
berichtete daher zuerst von seiner ersten Begegnung mit Jens und auch
B. Gährken
schaute in seinem Vortrag ebenfalls zurück auf die gemeinsame
Zeit
bevor er sich der Beteigeuzebedeckung durch den Kleinplaneten Leona
widmete.





Das
Themenspektrum reichte von der Sonnenbeobachtung
über Doppelsternsysteme bis zu
historischen astronomischen Filmen.



Ein Thema war auch der erwartete Ausbruch der Nova T-Corona Borealis.

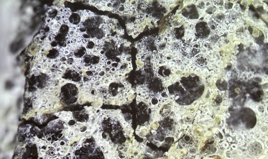
Ein Highlight war der Bericht über
die Beobachtung und den Fund des Ribbeck-Meteoriten im Havelland.
Peter Lindner konnte ein eigenes Fundstück
präsentieren.








Der Meteorit hat eine ungewöhnliche Schmelzkruste
mit
verglasten
Gasbläschen.



Natürlich wurde auch wieder gut gespeist





Hauptseite